Gia công cơ khí chính xác xuất khẩu Nhật Bản đòi hỏi quy trình sản xuất phải thật bài bản, chuyên nghiệp, cùng nhiều máy móc hiện đại, đáp ứng các yêu cầu kỹ thuật đòi hỏi độ sai số thấp. Vậy làm thế nào để nhận được đơn hàng xuất khẩu cơ khí sang Nhật Bản? Những lưu ý cần chú ý khi đọc bản vẽ sản xuất do Nhật Bản cung cấp là gì? Hãy cùng chúng tôi tìm hiểu qua bài viết này nhé

Cơ khí HT-CNC đón tiếp khách hàng nhật tại Xưởng
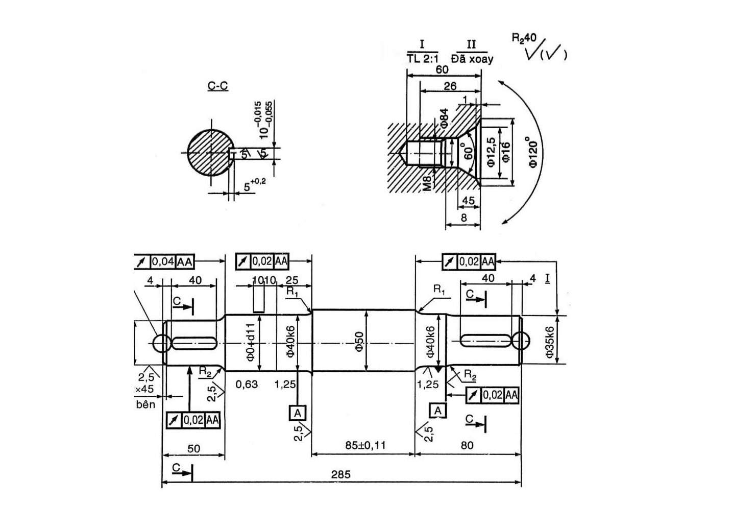
Những yêu cầu khi Gia công cơ khí chính xác xuất khẩu Nhật Bản
Gia công cơ khí chính xác nói chung, xuất khẩu Nhật Bản nói riêng đều yêu cầu khắt khe về mặt chất lượng kỹ thuật sau gia công (tức là yêu cầu cao về sản phẩm). Những đòi hỏi đó bao gồm:
- Yêu cầu về kích thước, thường các đơn hàng xuất khẩu yêu cầu độ chính xác cao và thể hiện rất rõ trên bản vẽ với độ sai số nhỏ đến phần nghìn từ 0.001 đến 0.01mm
- Sai số hình học và sai số vị trí ±0,01°
- Yêu cầu bề mặt sản phẩm như yêu cầu về chất lượng mài, nhiệt luyện, \sơn, chất lượng mạ
- Yêu cầu về độ độ nhám và độ bóng bề mặt,
- Yêu cầu về tiến độ cấp hàng, người Nhật rất trọng lời hứa, họ đề cao và đánh giá tốt các doanh nghiệp cung cấp hàng hóa đúng tiến độ
- Ngoài ra, người Nhật còn đánh giá cao tinh thần chịu trách nhiệm trong công việc, khi sản phẩm lỗi sảy ra chưa cần phân biệt lỗi tại khách hàng hay tại nhà sản xuất, việc họ cần là khắc phục sự cố khi có sản phẩm sảy ra trước sau đó mới bàn đến lỗi tại ai.

Chi tiết cơ khí chính xác xuất khẩu
Cách thức tiếp đón đối tác Nhật Bản
Người Nhật Bản coi trọng sự tiết kiệm và tính hiệu quả. Họ không cần một nhà máy quá lớn, nhưng lại sắp sếp không khoa học, yếu tố 5S trong sản xuất không có. Cái họ cần là một nhà máy ngăn nắp, mọi thứ thuận tiện, nhỏ nhưng hiệu quả
Hơn nữa họ cũng đề cao tính an toàn cho người lao động, họ sẽ đánh giá cao nếu đội ngũ lao động của nhà máy có đầy đủ đồ bảo hộ lao động như mũ nón, giày dép và quần áo bảo hộ trong lao động
Việc 5S trong nhà máy được người Nhật đánh giá cao khi họ thăm quan khu vực làm việc, thậm chí cả với những khu vực nhà vệ sinh. Họ đánh giá từ cái nhỏ nhất khi đến thăm quan nhà máy của bạn
Cách đọc bản vẽ cơ khí Nhật Bản
Bản vẽ cơ khí nói chung, và bản vẽ cơ khí do người Nhật cung cấp nói riêng đều quan trọng đến các kích thước sai số, qua đó để lắp ráp một sản phẩm gồm nhiều chi tiết do nhiều nhà máy sản xuất thì tiêu chuẩn sai số sẽ được thiết lập. Qua đó, các tiêu chí sai số được chỉ rõ trên các bản vẽ. Đối với bản vẽ cơ khí của người Nhật, họ ghi rất rõ sai số ứng với các kích thước độ dài. Ví dụ có thể sai số 0.001mm khi kích thước sản phẩm nhỏ hơn 30mm và sai số ±0.25mm đối với các kích thước từ 30mm đến 150mm…
Nói như vậy, việc đọc bản vẽ cơ khí rất quan trọng, và càng quan trọng hơn với các kích thước lắp ráp, dung sai, sai số hình học, sai số vị trí, độ nhám, ký hiệu các mối hàn, quy ước hàn….

Đơn vị gia Gia công cơ khí chính xác xuất khẩu Nhật Bản uy tín tại Hà Nội
Một nhà máy có sự đầu tư bài bản và có chiều sâu chắc chắn là đơn vị đáng tin cậy cho đơn hàng xuất khẩu của bạn. Tại Cơ khí HT-CNC, ngoài gia công các đơn hàng xuất khẩu Nhật Bản, chúng tôi còn gia công xuất khẩu đến các nước châu âu, như Mỹ, Úc, Canada, Hàn
Với kinh nghiệm sản xuất và xuất khẩu cho nhiều đối tác trong nhiều năm qua, chúng tôi tự tin sẽ làm bạn hài lòng, là địa chỉ tin cậy cho các đơn hàng xuất khẩu của bạn.
Liên hệ đặt hàng
Bất kỳ một sản phẩm nào mà Công ty TNHH HT-CNC sản xuất ra, nó không đơn giản chỉ là năng lực mà chúng tôi có mà trong đó còn có cả một lòng nhiệt huyết và sự quyết tâm với ngành nghề mà chúng tôi đã chọn. Chính vì thế Công ty chúng tôi không những đã và đang khẳng định được vị thế trên thị trường mà còn cho thấy chúng tôi là một đơn vị luôn vì quý khách hàng mà nỗ lực hết mình để ngày càng phát triển hơn.
Quý khách có yêu cầu đặt hàng hãy để lại thông tin yêu cầu cho chúng tôi.
Mr.Trãi: 0984 232 554 Mr.Hưng: 0868 971 269 sales.m@ht-cnc.com.vn
bài viết liên quan
Tin tức - Sự Kiện
HT-CNC THAM GIA CHƯƠNG TRÌNH “NHÀ MÁY THÔNG MINH” DO SAMSUNG VIỆT NAM TỔ CHỨC – BƯỚC ĐI CHIẾN LƯỢC TRONG HÀNH TRÌNH CHUYỂN ĐỔI SỐ
Chiều ngày 09/12/2025, tại Ban Quản lý các Khu công nghiệp tỉnh
Tin tức - Sự Kiện
KIỆN HÀNG XUẤT KHẨU – CỘT MỐC MỚI CỦA HT-CNC TRÊN HÀNH TRÌNH VƯƠN RA QUỐC TẾ
HT-CNC chính thức hoàn tất kiện hàng xuất khẩu gửi tới đối
Tin tức - Sự Kiện
HT-CNC SẢN XUẤT CÁC LOẠI ĐỒ GÁ CHO NGÀNH BÁN DẪN
Ngành bán dẫn tại Việt Nam đang mở rộng, nhu cầu về
Tin tức - Sự Kiện
Giải pháp tự động hóa sản xuất cho nhà máy công nghiệp
Để duy trì lợi thế cạnh tranh và đáp ứng nhu cầu
Tin tức - Sự Kiện
HT-CNC đồng hành cùng Hội Hiệp hội Sản xuất Công nghiệp Bắc Ninh – Nhiệm kỳ I (2025-2028)
Ngày 09/09/2025 , Giám đốc Công ty TNHH HT-CNC đã vinh dự
Tin tức - Sự Kiện
🇻🇳 CHÀO MỪNG QUỐC KHÁNH 2/9 – ❤️GẮN KẾT HT-CNC
Hòa trong không khí hân hoan kỷ niệm Quốc khánh 2/9, Công